欢迎光临~上海阿提卡电子科技有限公司
语言选择: 中文版 ∷  英文版

江苏长电

晶体管 - 江苏长电

  • 产品描述:江苏长电, SOT-523 Plastic-Encapsulate Transistors系列, MMBT3904T TRANSISTOR(NPN)
  • 在线订购

本产品为

公司  江苏长电
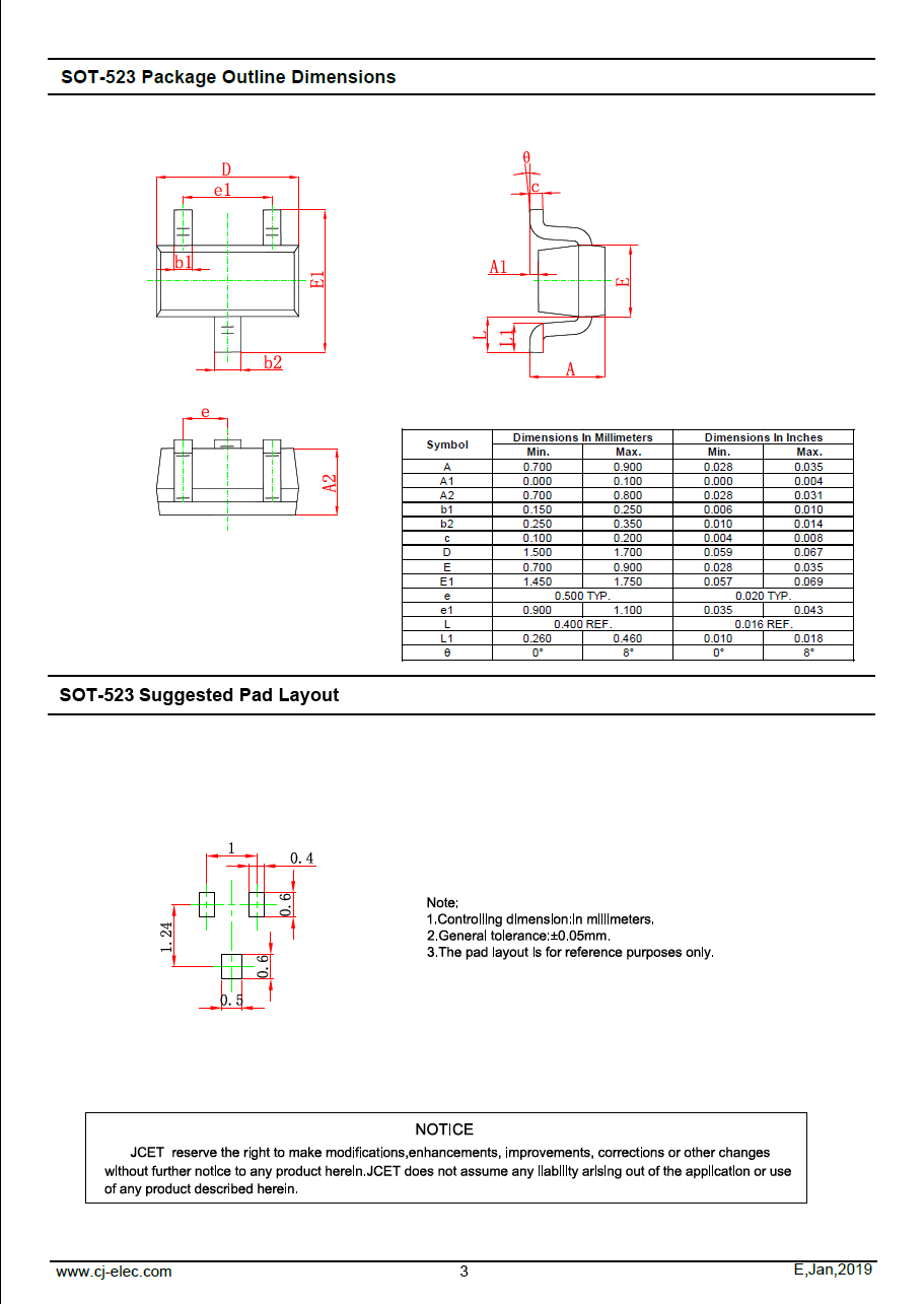
系列  SOT-523 Plastic-Encapsulate Transistors
品名  MMBT3904T TRANSISTOR(NPN)

本品参数

型号 极性 PCM IC BVCBO BVCEO BVEBO Min Max VCE(sat) 封装形式
(mW) (mA) (V) (V) (V) (V)
MMBT3904T NPN 150 200 60 40 6 100 300 0.3 SOT-523

  • 如想了解该产品详细信息,请联系我们。我们将会为您提供该产品的规格书。
  • 我司授权代理 江苏长电科技股份有限公司 的所有产品,产品交期为4周
  • 本网站下载中心提供 江苏长电 的产品目录清单,欢迎下载与咨询。

本公司可提供 国内外主流供应商 各种电子元器件,包括晶体管,二级管,晶振,电容和MOSFET等。

期货 交期 4周现货 交期 2周

欢迎国内外客户联系与咨询!


上一个:晶振 下一个:晶体管 - 扬杰科技
关闭